国网浙江电力绍兴供电公司祝石厚、张敏:一起500 kV变电站直流系统异极窜电故障分析与模型推算
栏目:公司新闻 发布时间:2026-02-13
分享到:
  国网浙江省电力有限公司绍兴供电公司的祝石厚、张敏在2025年第7期《电气技术》上撰文介绍了一起500 kV变电站直流系统异极窜电故障的分析过程。为了

  国网浙江省电力有限公司绍兴供电公司的祝石厚、张敏在2025年第7期《电气技术》上撰文介绍了一起500 kV变电站直流系统异极窜电故障的分析过程。为了深入探讨这类特殊直流绝缘故障,根据直流绝缘监测仪的平衡桥原理,建立直流异极窜电电路模型,给出互窜短接电阻的求取过程。通过计算并分析直流异极窜电时控制母线电压与短接电阻的关系,归纳直流异极窜电的特征,以期为处理类似直流系统故障提供参考。

  变电站直流系统由充电装置、蓄电池组、馈电网络等组成,为站内保护测控装置、信号回路、控制回路、通信装置等提供稳定可靠的电能。直流系统的可靠运行直接关系着整个变电站甚至区域电网的安全稳定运行。接地故障是直流系统最常见的故障,关于变电站直流接地故障分析与处理的研究较多。

  直流系统窜电是一种特殊的直流绝缘异常现象,两套直流系统之间的窜电故障有4种:正-正极互窜、负-负极互窜、正-负极互窜、负-正极互窜。关于直流互窜故障的研究相对较少。有文献指出,采用拉路法难以查找变电站内由于接线错误引起的直流互窜故障,在绝缘监测装置不具备直流互窜检测功能时,借助直流接地快速查找仪可快速定位直流系统窜电故障点,但未建立电路模型。有文献建立了直流异极窜电电路模型,但未依据模型进行实例计算。有文献建立了直流异极窜电电路模型,但忽略了蓄电池组和直流充电机的工艺差异对两套直流系统互相窜电的影响,在给出试验短接电阻的情况下进行直流异极窜电模拟计算。有文献分析了两起直流互窜现象,并依据窜电模型进行实际推算,但在进行直流异极窜电计算时,文中直接给出短接电阻,未介绍短接电阻的求取过程。

  本文针对一起500 kV变电站直流系统异极窜电故障,详细介绍故障查找、分析及处理过程,建立异极窜电电路模型进行计算,并给出短接电阻的求取思路与计算公式,归纳直流异极窜电的特征。

  某500 kV变电站直流系统为三充两蓄双母接线,两段母线独立运行,均配置绝缘监测仪,用于监测母线电压及对地绝缘,直流系统标称电压为110 V。

  2024年8月某日,该变电站以正常方式运行,站内无人工作。傍晚出现暴雨天气,变电站后台报“直流绝缘异常”信号,现场直流绝缘监测仪告警信息见表1。直流绝缘监测仪“绝缘报警”灯、“支路报警”灯亮,显示选线 kV测控屏直流Ⅰ、Ⅱ段。直流Ⅰ段绝缘巡检仪126支路对地电阻6.1 kW,直流Ⅱ段绝缘巡检仪126支路对地电阻4.8 kW。

  运维人员使用万用表对直流Ⅰ段、直流Ⅱ段母线电压进行测量,测量电压与表1接近。

  根据绝缘监测仪报出的4号主变220 kV测控屏直流Ⅰ、Ⅱ段有接地支路,进一步查找该屏内对应支路。4号主变220 kV测控屏共有3路直流空气开关:①断路器控制电源1空气开关,使用直流Ⅰ段;②断路器控制电源2空气开关,使用直流Ⅱ段;③测控装置及遥信直流电源空气开关,使用直流Ⅱ段。

  对4号主变220 kV断路器控制电源1、2进行试拉。先拉开4号主变220 kV控制电源1空气开关,现场绝缘监测仪不再报警,4号主变220 kV测控屏直流Ⅱ段端子排测量电压恢复正常,确认4号主变220 kV间隔存在直流异常。

  封锁4号主变220 kV间隔自动化数据,拉开4号主变220 kV测控遥信电源及装置电源,绝缘异常现象未消失。

  闭合控制电源2空气开关,再次拉开断路器控制电源1空气开关,并在断路器机构箱对两段直流电源电压进行测量。控制电源2直流电压数据正常,但控制电源1正极对地电压为0,负极对地电压为+52 V。判断直流Ⅰ段负极对地电压来自直流Ⅱ段的窜电故障。

  直流Ⅰ段与直流Ⅱ段窜电,必定通过同时接直流Ⅰ段与直流Ⅱ段的继电器或电缆产生。当继电器辅助触点之间绝缘不良或电缆绝缘不良时,就会发生直流Ⅰ段与直流Ⅱ段窜电故障。

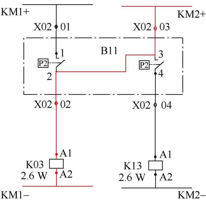
  查阅4号主变220 kV断路器控制回路,断路器合闸和分闸1回路如图1所示,断路器分闸2回路如图2所示。初步判断有2个可疑元件可能导致窜电:①SF6压力闭锁重动继电器K13,该重动继电器的辅助触点同时接入直流Ⅰ段与直流Ⅱ段;②SF6表计接线,其辅助触点通过电缆同时接入直流Ⅰ段与直流Ⅱ段。

  首先将重动继电器K13绝缘故障引起直流窜电排除。原因为:①继电器K13安装于断路器机构箱内,虽然现场为雷雨天气,但断路器机构箱无进水,K13继电器无受潮现象;②图1的合闸回路中,断路器在合位,断路器辅助触头S01的9、10断开,合闸回路不通,不可能通过K13的常闭辅助触点32、31出现“控制电源1-”窜电+52 V。因此,户外设备进水引起窜电的可能性较大,重点怀疑SF6表计接线受潮短接。

  查阅GL314型断路器控制及信号回路,该断路器SF6表计B11有3副触点:第一副触点(1、2)低于0.61 MPa时报“SF6压力低闭锁”信号,同时经继电器重动后闭锁断路器分、合闸,使用直流电源Ⅰ段,如图1所示;第二副触点(3、4)低于0.61 MPa时报“SF6压力低闭锁”信号,同时经重动后闭锁断路器分闸,使用直流电源Ⅱ段,如图2所示;第三副触点(5、6)用于SF6压力低于0.64 MPa时报“SF6压力低告警”信号,遥信电源使用直流电源Ⅱ段。这3副触点由同一根6芯电缆引入断路器机构箱,当该电缆绝缘故障或SF6表计接线盒进水时,就会导致窜电现象。

  使用螺丝刀解开断路器机构箱中B、C相SF6表计接线),用万用表测量“控制电源1-”X01:15仍有+52 V电压。当解开图1中A相SF6辅助触点B11的X02:02时,“控制电源1-”X01:15的+52 V对地电压消失,因此确认A相SF6表计闭锁触点回路绝缘不良。

  控制电源2空气开关闭合,拉开控制电源1空气开关,在机构箱解开A相3副SF6表计辅助触点,使用绝缘兆欧表测量SF6表计触点对地绝缘,绝缘电阻均在10 MW以上。控制电源1空气开关闭合,拉开控制电源2空气开关,在机构箱解开A相3副SF6表计辅助触点,使用绝缘兆欧表测量SF6表计触点对地摇绝缘,绝缘电阻均在10 MW以上。SF6表计辅助触点对地绝缘良好,因此判断并未发生直流接地,直流异常的原因为直流Ⅱ段正极与直流Ⅰ段负极通过一个短接电阻短接,即直流Ⅱ段正极与直流Ⅰ段负极窜电。

  布置在户外的SF6表计接线所示。接线盒内部接线十分紧凑,在密封材料老化、密封不良的情况下,小水珠或水汽极易导致B11的接线短接,从而导致直流窜电。

  由于带电更换SF6表计风险较大,使用热吹风机烘干4号主变220 kV断路器A相SF6表计接线盒,并使用绝缘胶布进行包扎,外部防雨罩使用保鲜膜材料进行临时防雨密封,如图4所示。2024年12月停电期间,更换4号主变三相220 kV断路器SF6表计及外引线表计临时防雨措施

  根据本次直流Ⅰ段负极与直流Ⅱ段正极窜电现象与绝缘监测原理,得到直流异极窜电等效电路模型如图5所示,其中R为未知的短接电阻,RS为绝缘监测装置的平衡桥内阻,出厂时确定,约为68 kW。本文所述直流系统标称电压均为110 V。

  化简图5,得到简化后的等效电路模型如图6(a)所示,根据电路的三角变换得到图6(b)所示等效电路,其中R1、R2、R3的计算公式如式(1)和式(2)所示。

  从理论分析,将第一组绝缘巡检仪平衡电阻Rs与直流系统断开,等效电路如图7所示。

  根据第2节故障分析过程,SF6表计B11的接线的线的线圈电阻即为短接电阻R。

  下面分析短接电阻R对控制母线电压的影响。此时,忽略充电机、蓄电池组与负荷不平衡性的影响,假设U1=U2=110 V,取RS=68 kW,将短接电阻R作为变量,根据式(1)~式(4)计算互窜时控制母线电压数值与短接电阻的关系,见表3。由表3可知,直流异极互窜时控制母线电压相对标称电压的偏移量主要取决于短接电阻R与平衡电阻Rs的比值:短接电阻为0,相当于金属性短路,Ⅰ段负极与Ⅱ段正极电压均为0;短接电阻无穷大时,相当于两套系统正常分列运行。

  当发生两路直流正负极互窜故障时,基于平衡桥原理的绝缘监测装置两段母线电压均会下降,容易误判为两段母线均接地;两套直流系统中两组蓄电池、充电机和直流负荷的差异,导致异极窜电时两段控制母线电压非完全对称性偏移。直流异极互窜时,控制母线电压相对标称电压的偏移量主要取决于短接电阻R与平衡电阻Rs的比值。

  有双路直流电源接入的设备发生绝缘故障时,均可能出现直流窜电现象,500 kV变电站内户外断路器SF6表计控制与遥信回路是发生直流互窜故障概率最高的电气回路。因此,在日常运检巡视过程中,应加强对SF6表计防潮性能的检查,在SF6表计上方加装防雨罩,还应对表计航空插头采取保护措施,避免因长期日晒引起表计航空插头材料老化而产生密封不良现象,此外,表计外引线缆波纹管最下端应加装滴水孔,以防积水。

  本工作成果发表在2025年第7期《电气技术》,论文标题为“一起500 kV变电站直流系统异极窜电故障分析与模型推算 ”,作者为祝石厚、张敏。

  当之无愧MVP!洛夫顿淘汰赛场均26+7+5 曝上海最终目标是CBA冠军

  午评:沪指跌0.7%,创业板指跌0.96%,军工、半导体板块逆势走强,油气开采、光伏、小金属跌幅靠前

  “最爱发钱老板”崔培军:今年年终奖超1.8亿元!年会现场将发6000万元现金,屠洪刚等歌手登台献唱

  一瞬间14年的数据都没了!玩家误操作烧毁14TB硬盘:只因为插错了一根SATA线

  最高FHD 60fps:英伟达GeForce NOW云游戏登陆亚马逊Fire TV